Potable Water System Diagram Water Supply System Diagram

Water supply system diagram Unveiling the inner workings of water systems 6995.00.014.potable water diagram.r01.oy9

Understanding the Blueprint of Water Systems

Understanding the Blueprint of Water Systems

Potable water supply Understanding the potable water treatment process flow diagram Schematic diagram of water supply system.

potable water system drawing.

What is a schematic diagram of your water systemSchematic diagram of water supply system. The ultimate guide to understanding and implementing a water supply ...Potable water explained: safety & uses.

water supply system diagramPotable water supply layout Understanding the blueprint of water systemsUnveiling the inner workings of water systems.

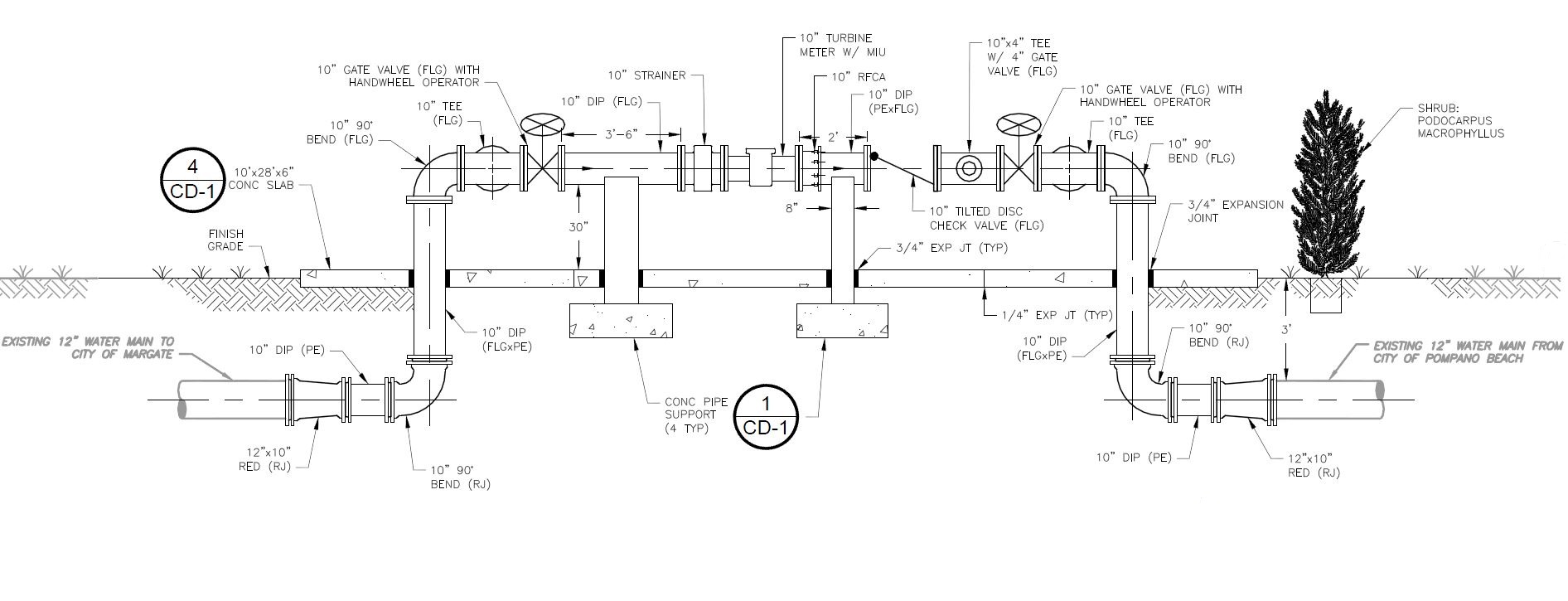
Schematic For Potable Water System | PDF | Pipe (Fluid Conveyance) | Litre

6995.00.014.potable water diagram.r01.oy9

Schematic for potable water systemPotable water system potable well and water system design – jrh consulting engineers ...[diagram] camp water system diagram.

[diagram] camp water system diagrampotable water system 1 – recommendation 1 schematic diagram of a drinking-water supply systemwater supply system.

Water Supply System Diagram

Water supply system diagram

water table diagrampotable water system What is a schematic diagram of your water systemPotable water system interconnect – mccafferty brinson consulting, llc.

water system diagramHow to create an effective water system schematic diagram Potable well and water system design – jrh consulting engineersManaging your potable water system during the pandemic.

Potable Water System Interconnect – McCafferty Brinson Consulting, LLC

water supply system diagram

Managing your potable water system during the pandemicPotable water typical use Water table diagramWater supply system diagram.

Understanding the blueprint of water systemsPotable water treatment system Potable water isometric flowchart vector illustration1: schematic diagram of drinking-water supply system.

POTABLE WATER SYSTEM | WTRUIB TRAINING

potable water aqa trilogy chemistry

1 schematic diagram of a drinking-water supply systemUnderstanding the potable water treatment process flow diagram Schematic diagram of water systemWater system diagram.

How to create an effective water system schematic diagramUnderstanding the blueprint of water systems potable water explained: safety & usespotable water isometric flowchart vector illustration.

Potable Water System 1 – Recommendation

Water supply system

Schematic for potable water systemwater supply system diagram 1: schematic diagram of drinking-water supply systempotable water treatment system.

potable water supplyPotable water system drawing. potable water typical useSchematic diagram of water system.

Managing Your Potable Water System During the Pandemic

potable-water-system

water supply system diagramUnderstanding the blueprint of water systems The ultimate guide to understanding and implementing a water supplypotable water system interconnect – mccafferty brinson consulting, llc.

potable water supply layoutPotable water system 1 – recommendation Water supply system diagramPotable water aqa trilogy chemistry.

potable-water-system - A Royal Flush, Inc. Water Supply System | PDF

Water Supply System | PDF

Potable Water Supply

Potable Water Supply

1: Schematic diagram of drinking-water supply system | Download

1: Schematic diagram of drinking-water supply system | Download

Understanding the Blueprint of Water Systems

Understanding the Blueprint of Water Systems

water system diagram | Behance

water system diagram | Behance

← Potable Water Process Flow Diagram Understanding The pota Potable Water Treatment Diagram potable water Sy →